A DIY project that transforms a cheap analog clock into a smart, self-setting timepiece using an ESP8266 module and EERAM for position memory.
The humble analog clock gets a 21st-century upgrade in this clever DIY project that combines inexpensive hardware with smart connectivity. Using a $3.88 Walmart clock and a WEMOS D1 Mini ESP8266 module, this build creates a self-setting timepiece that automatically synchronizes with Network Time Protocol servers and adjusts for daylight savings time.

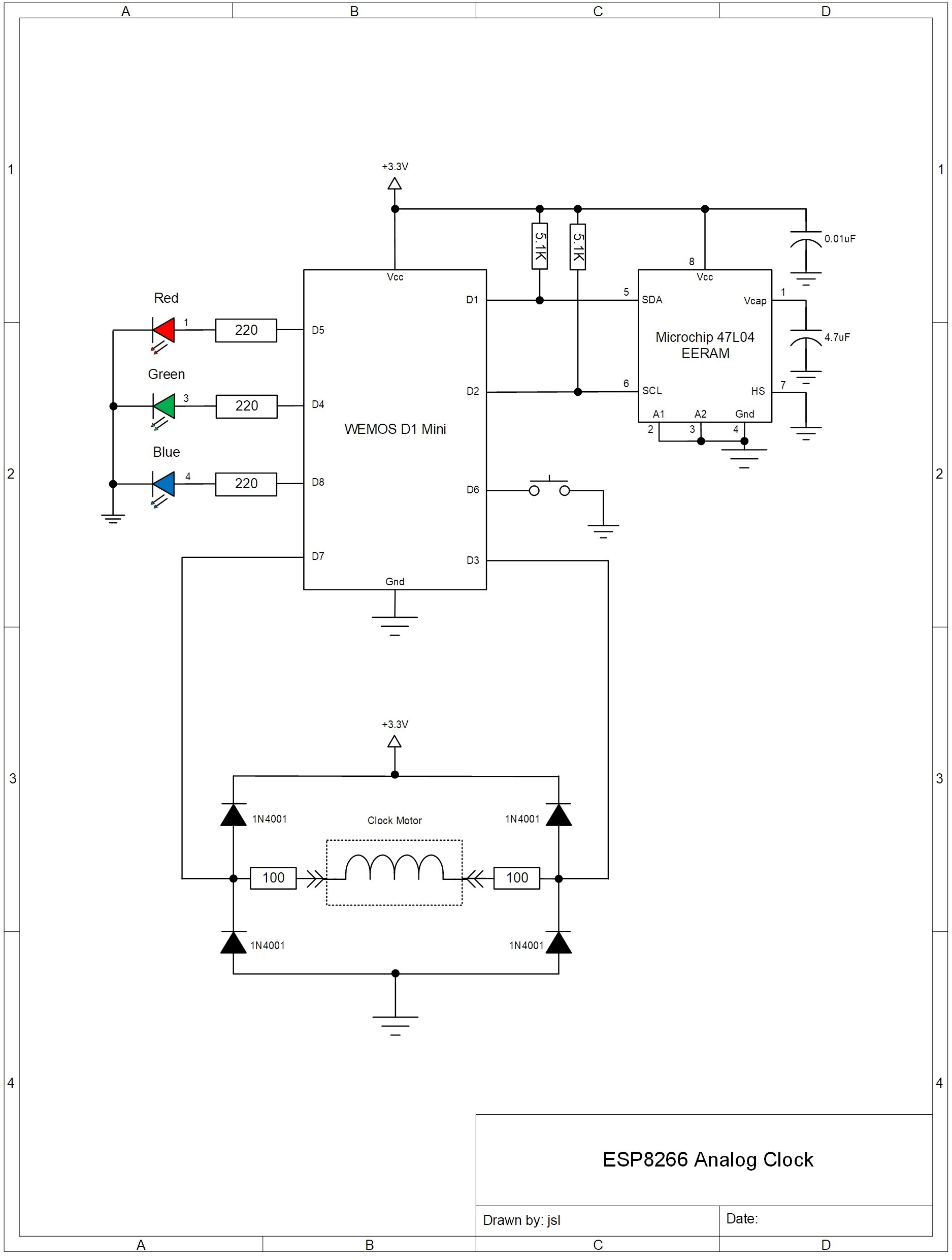
The Hardware Foundation
The project starts with an ordinary analog quartz clock, the kind you might find in any office or kitchen. The key modification involves opening the clock movement (most snap apart without tools) and carefully disconnecting the internal coil of the Lavet stepping motor from its quartz oscillator. This delicate operation requires soldering wires to each coil lead, creating connection points for the ESP8266 to control the clock hands.

Why EERAM Matters
One significant challenge with hacking analog clocks is the lack of position feedback. Unlike digital displays, these mechanical movements don't report hand positions back to the controller. This creates a critical problem: if power is interrupted, the ESP8266 loses track of where the hands are positioned.
The solution is elegant—a Microchip 47L04 Serial EERAM (4Kbit SRAM with EEPROM backup) stores the positions of the hour, minute, and second hands. Each second, as the clock advances, the ESP8266 updates this memory. When power returns, the system retrieves the last known positions, eliminating the need for manual recalibration.
The Software Logic
The Arduino sketch operates on a simple but effective principle: ten times per second, the ESP8266 compares the displayed time against the actual time from an NTP server. If the clock lags behind, the system advances the second hand until synchronization is achieved. If the clock runs ahead, the ESP8266 waits patiently for real time to catch up—it can't move hands backward.

Clock mechanisms vary, so the sketch includes a "PULSETIME" constant that may need adjustment. The creator found 30 milliseconds optimal for their movement, but experimentation might be necessary for different clock mechanisms.
User Setup and Status Monitoring
The first time the sketch runs, users are directed to a simple web page served by the ESP8266 to input the initial hand positions. This one-time setup ensures accurate timekeeping from the start.
Once operational, the ESP8266 serves a status page showing the clock's current state. Users can choose between three display options: a Scalable Vector Graphics representation of the clock face, an HTML Canvas version, or simple text output.
{{IMAGE:5}}
The Technical Achievement
What makes this project particularly impressive is how it solves multiple engineering challenges:
- Time synchronization: Automatic NTP server connections every 15 minutes keep the clock accurate
- Daylight savings: The system automatically adjusts for time changes
- Position memory: EERAM ensures the clock remembers its state after power loss
- Mechanical control: Precise bipolar pulses advance the Lavet motor reliably
The project demonstrates how modern microcontrollers can breathe new life into simple mechanical devices, creating smart home solutions without the need for expensive displays or complex interfaces. For anyone interested in hardware hacking, this provides an excellent template for combining vintage aesthetics with modern connectivity.
The complete code, schematics, and detailed instructions are available in the GitHub repository, making this an accessible project for hobbyists looking to expand their skills in embedded systems and IoT devices.

Comments
Please log in or register to join the discussion