AERIS-10 represents a significant leap in making advanced radar technology accessible through its open-source, low-cost phased array system, offering researchers and developers unprecedented access to sophisticated radar capabilities.
Democratizing Radar Technology: The AERIS-10 Open-Source Phased Array System
In the evolving landscape of remote sensing and detection technologies, radar systems have traditionally remained proprietary and prohibitively expensive for most researchers, startups, and enthusiasts. The AERIS-10 project emerges as a transformative force in this domain, offering a fully open-source, modular, and hackable 10.5 GHz phased array radar system that brings sophisticated detection capabilities within reach of a much broader community. 
The Vision: Democratizing Advanced Sensing
The AERIS-10 project represents more than just another hardware design; it embodies a philosophical shift in how advanced sensing technologies can be developed and shared. By providing complete schematics, PCB layouts, firmware, and software under open-source licenses, the project enables researchers, drone developers, and serious software-defined radio (SDR) enthusiasts to experiment with technologies that were previously locked behind corporate or institutional barriers.
Radar technology, particularly at the 10.5 GHz frequency range, has traditionally been associated with defense applications, meteorological systems, or expensive industrial solutions. The AERIS-10 project challenges this paradigm by creating a system that offers both accessibility and performance, with two distinct versions catering to different operational requirements: the AERIS-10N (Nexus) with a 3km range and the AERIS-10E (Extended) capable of reaching 20km.
Technical Architecture: A Symphony of Precision Components
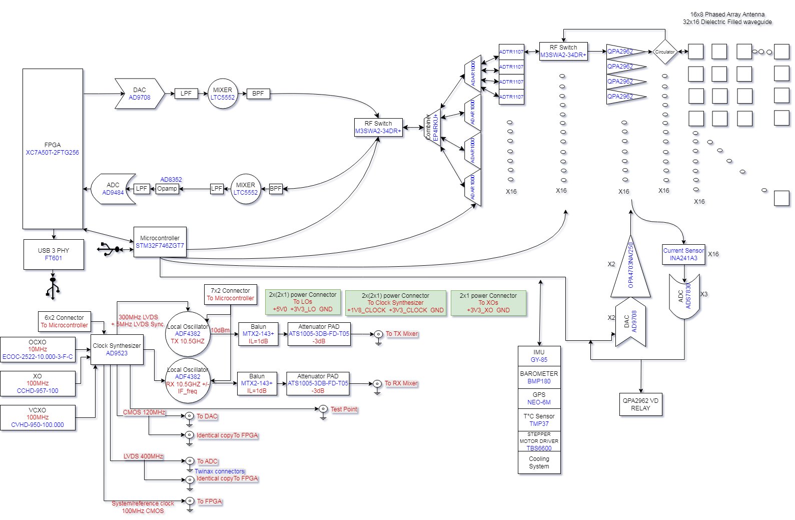
The elegance of the AERIS-10 system lies not only in its open-source nature but in its sophisticated yet modular design. The system architecture consists of several carefully engineered subsystems that work in harmony to create a capable radar platform. 
Hardware Components
At the heart of the system are several specialized boards:
Power Management Board: This critical component ensures all electronic elements receive properly sequenced and filtered power, essential for maintaining system stability and performance.
Frequency Synthesizer Board: Utilizing the AD9523-1 low jitter clock generator, this board provides phase-aligned clock references for the receive (RX) and transmit (TX) frequency synthesizers based on the ADF4382 chipset.
Main Board: This serves as the central hub containing:
- DAC for generating radar chirps
- Two LTC5552 microwave mixers for frequency conversion
- Four ADAR1000 4-channel phase shifters for beamforming
- Sixteen ADTR1107 front-end chips for both low-noise amplification (RX) and power amplification (TX)
- XC7A50T FPGA for signal processing
- STM32F746xx microcontroller for system management
Power Amplifier Boards: Exclusive to the AERIS-10E version, these boards feature 10-watt QPA2962 GaN amplifiers to achieve the extended range capability.
Antenna Arrays
The system offers two antenna configurations:
- AERIS-10N: An 8x16 patch antenna array suitable for shorter-range applications
- AERIS-10E: A more sophisticated 32x16 dielectric-filled slotted waveguide array designed for extended range performance
Both arrays support electronic beam steering of ±45° in both elevation and azimuth, complemented by 360° mechanical scanning capability through a stepper motor system.
Signal Processing Pipeline: From Raw Data to Actionable Intelligence
The true power of the AERIS-10 system lies in its sophisticated signal processing chain, implemented primarily on the FPGA. This pipeline transforms raw radio frequency data into meaningful target information through several stages:
Waveform Generation: The DAC creates Linear Frequency Modulated (LFM) chirps, which serve as the transmitted radar signals.
Frequency Conversion: The LTC5552 mixers handle both up-conversion for transmission and IF-down-conversion for reception.
Beamforming: The ADAR1000 phase shifters precisely control the phase of signals across the 16 antenna elements, enabling electronic steering of the radar beam without mechanical movement.
Signal Processing (FPGA):
- Raw ADC data capture
- I/Q baseband down-conversion
- Decimation and filtering (CIC/FIR)
- Pulse compression for improved range resolution
- Doppler FFT processing for velocity information
- Moving Target Indication (MTI) to eliminate stationary objects
- Constant False Alarm Rate (CFAR) detection to optimize target identification
System Management (STM32):
- Power sequencing
- Peripheral configuration
- GPS/IMU integration
- Stepper motor control
Visualization (Python GUI):
- Real-time target plotting
- Map integration
- Radar control interface
This comprehensive processing pipeline enables the system to detect, track, and classify targets with remarkable precision, making it suitable for applications ranging from drone detection to environmental monitoring.
Technical Specifications: Performance Meets Accessibility
The AERIS-10 system demonstrates that high performance need not come with prohibitive cost or closed architecture. The specifications of both variants showcase this balance:
| Parameter | AERIS-10N (Nexus) | AERIS-10X (Extended) |
|---|---|---|
| Frequency | 10.5 GHz | 10.5 GHz |
| Max Range | 3 km | 20 km |
| Antenna | 8x16 Patch Array | 32x16 Slotted Waveguide |
| Beam Steering | Electronic (±45°) | Electronic (±45°) |
| Mechanical Scan | 360° (stepper motor) | 360° (stepper motor) |
| Output Power | ~1W×16 | 10W×16 (GaN amplifier) |
| Processing | FPGA + STM32 | FPGA + STM32 |
Licensing Approach: Protecting Innovation While Fostering Sharing
The AERIS-10 project employs a dual-license strategy that reflects the different needs of hardware and software components:
Hardware Documentation: Schematics, PCB layouts, BOM files, Gerber files, and mechanical drawings are licensed under the CERN Open Hardware Licence Version 2 – Permissive (CERN-OHL-P). This hardware-specific license provides:
- Clear definitions of "Hardware," "Documentation," and "Products"
- Explicit patent protection for contributors and users
- Stronger liability limitations, particularly important for high-power RF systems
- Alignment with professional open-hardware standards
Software and Firmware: The FPGA code, microcontroller firmware, and Python GUI remain under the MIT License for maximum flexibility and ease of use.
This dual-license approach represents a thoughtful evolution from the project's original MIT-only licensing, addressing the community's feedback that MIT lacks specific legal protections needed for physical hardware while maintaining the permissive spirit of open-source development.
Getting Started: From Repository to Operational Radar
The project maintains a clean repository structure with clear organization of files:
- Documentation: Comprehensive guides available in the /docs folder and via GitHub Pages at https://NawfalMotii79.github.io/PLFM_RADAR/docs/
- Production Files: PCB outputs and manufacturing files under /4_Schematics and Boards Layout/4_7_Production Files
- BOM/CPL Files: Co-located with production files for easy access
- Assembly Guides: Integration of schematics with production outputs
- Mechanical Drawings: Available in /8_Utils/Mechanical_Drawings
Potential users should note that building the AERIS-10 system requires:
- Basic understanding of radar principles
- Experience with PCB assembly
- Python 3.8+ for the GUI software
- FPGA development tools (Vivado) for signal processing modifications

Implications and Applications
The availability of an open-source, low-cost phased array radar system has far-reaching implications across multiple domains:
Research and Education
For universities and research institutions, AERIS-10 provides an affordable platform for exploring advanced radar concepts without the need for expensive proprietary equipment. This democratization of technology enables more students and researchers to gain hands-on experience with radar systems, potentially accelerating innovation in the field.
Drone Detection and Counter-UAS Systems
With the proliferation of drones in civilian airspace, there is growing need for effective detection systems. The AERIS-10's capabilities make it suitable for drone detection applications, offering a more accessible alternative to commercial systems that can cost tens or hundreds of thousands of dollars.
Environmental Monitoring
The system's ability to detect and track targets at various ranges makes it suitable for environmental monitoring applications, including bird migration studies, weather monitoring, and surface water movement analysis.
Automotive and Robotics
As autonomous vehicles and advanced robotics systems continue to evolve, sophisticated sensing technologies become increasingly critical. AERIS-10 could serve as a development platform for researchers working on next-generation automotive radar systems or robotic navigation.
Challenges and Considerations
Despite its innovative approach, the AERIS-10 project is not without challenges:
Technical Complexity: Building and operating a sophisticated radar system requires specialized knowledge that may be beyond the capabilities of some potential users.
Component Sourcing: Some specialized RF components may be difficult to source or may have long lead times.
Regulatory Compliance: Operating radar systems, particularly at 10.5 GHz, may require regulatory compliance in certain jurisdictions.
Documentation Completeness: While extensive, some users may desire more detailed assembly guides or application-specific tutorials.
Community and Future Development
The AERIS-10 project has already attracted a community of contributors with diverse expertise. The project maintainers specifically welcome contributions in several areas:
- RF Engineers to review designs and optimize antenna performance
- FPGA Developers to optimize the signal processing pipeline
- Software Developers to enhance the Python GUI and SDK
- Beta Testers from universities, drone startups, and advanced maker communities
Looking forward, the project's roadmap likely includes refinement of existing features, expansion of documentation, and potentially the development of application-specific variants tailored to particular use cases.
Conclusion
The AERIS-10 project represents a significant contribution to the open-source hardware ecosystem, particularly in the specialized domain of radar technology. By providing a complete, working phased array radar system under open-source licenses, the project enables a broader community of researchers, developers, and enthusiasts to access and advance radar technology.
The dual-license approach demonstrates a nuanced understanding of the different legal needs of hardware and software components, while the modular design allows for flexibility and customization based on specific requirements. As the project continues to evolve and its community grows, we can expect to see innovative applications and adaptations that further expand the boundaries of what's possible with open-source radar technology.
For those interested in exploring the project further, the GitHub repository at https://github.com/NawfalMotii79/PLFM_RADAR provides access to all design files, documentation, and source code. The project stands as a testament to the power of open collaboration in advancing complex technological systems and making them accessible to those who might otherwise be excluded from participation in such innovation.


Comments
Please log in or register to join the discussion